首页
关于劲派
新闻动态
联系我们
推拉窗系列
更多
平开窗系列
操作视频
首页
>>
平开窗系列
>>
臻豪平开系列
>>
臻豪S121双内开
详细内容
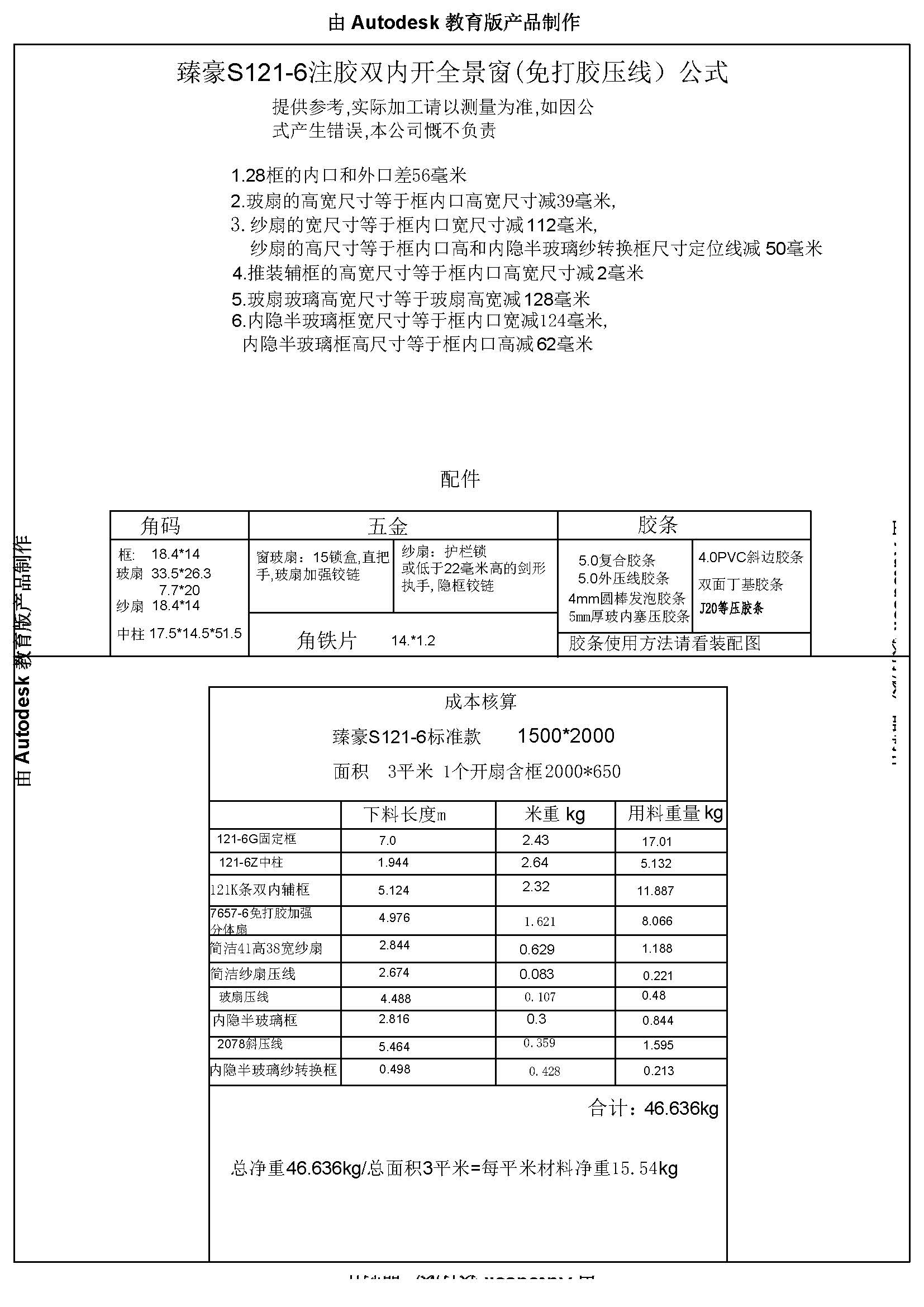
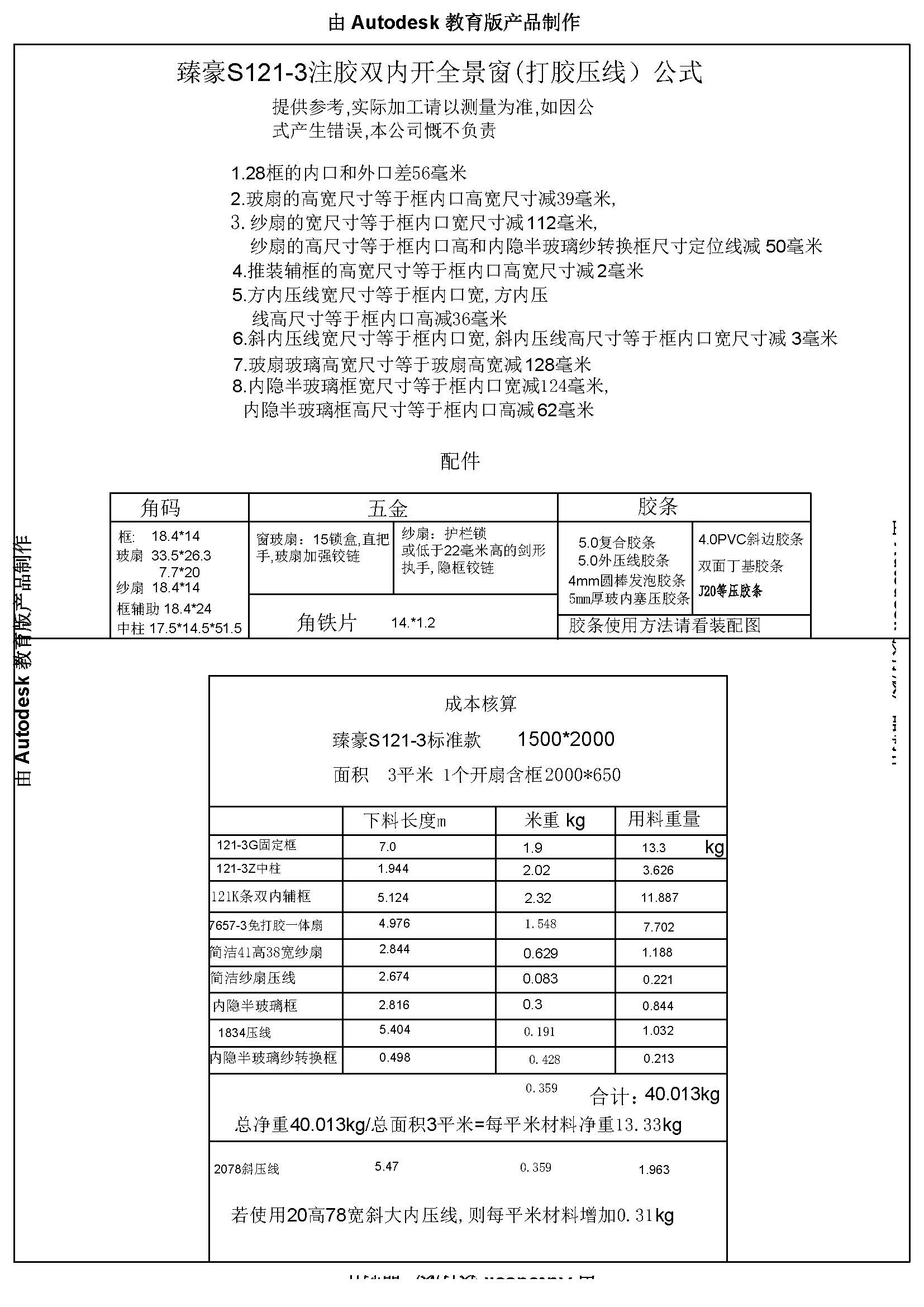
臻豪S121双内开
121-3-4
121-3
121-4
121-5-6
121-5
121-6
上一篇
豪迈平开121系列
下一篇
智臻S113双内开
标题
更多
豪迈平开系列
臻豪平开系列
智臻平开系列
轻奢平开系列
经济平开系列
风暴平开系列
标准平开系列
旗舰平开系列
普铝平开系列
通用型材 套线 转角
标题
更多
智臻推拉系列
经济推拉系列
风暴推拉系列
风尚推拉系列
单色推拉系列
可单可双系列
标题
更多
行业新闻
企业动态
标题
更多
关于劲派
联系我们
平开窗系列
扫一扫关注
微信公众号
扫一扫浏览
手机站
推拉窗系列
新闻动态
关于我们
电话直呼
在线留言
技术支持:
企集科技
|
管理登录