首页 >> 平开窗系列 >>智臻平开系列 >> 智臻S113双内开
详细内容

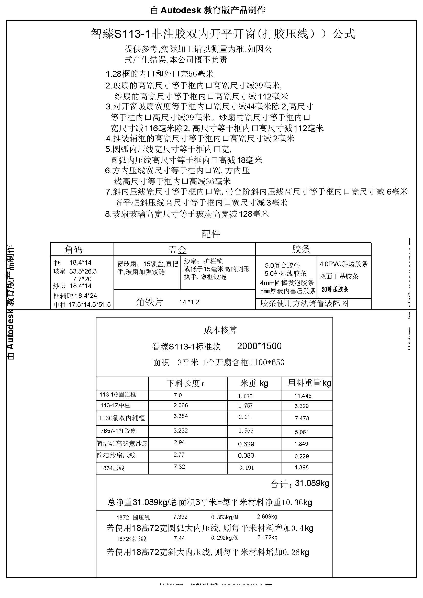
智臻S113双内开

12.jpg












113-1-2

智臻S113-1-2平开型材图.jpg








113-1







113-2







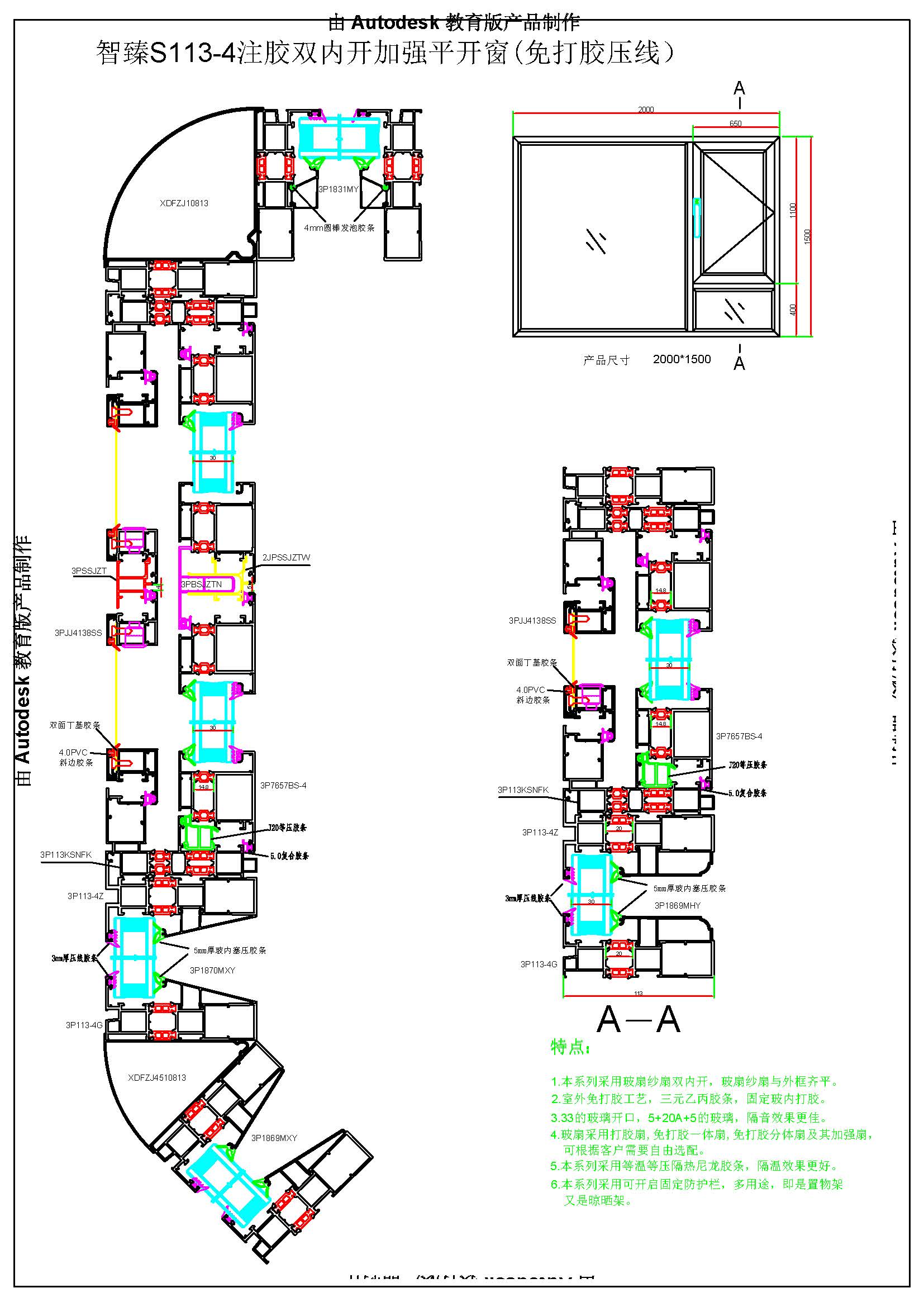
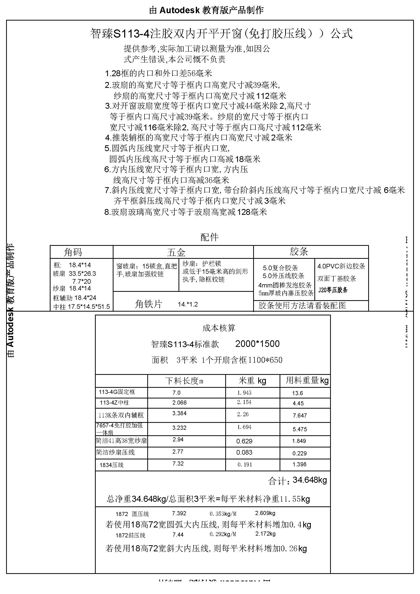
113-3-4

智臻S113-3-4平开型材图.jpg









113-3








113-4







113-5-6

智臻S113-5-6平开型材图.jpg







113-5







113-6






113-7-8








113-7






113-8






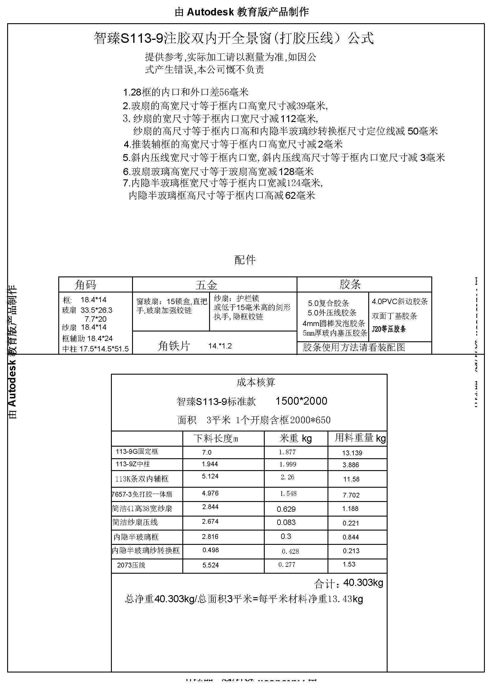
113-9-10








113-9







113-10






技术支持: 企集科技 | 管理登录
seo seo