首页
关于劲派
新闻动态
联系我们
推拉窗系列
更多
平开窗系列
操作视频
详细内容
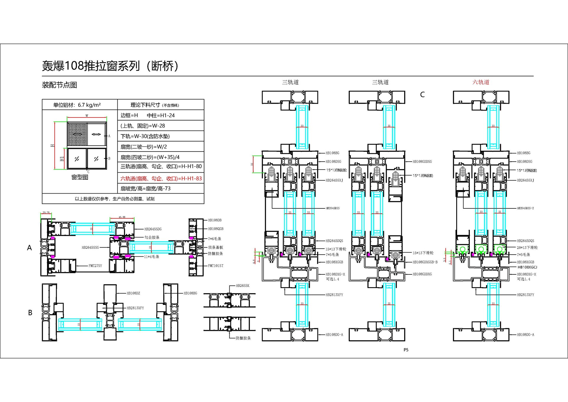
轰爆108断桥推拉
上一篇
传奇推拉窗111/112
下一篇
轰爆108单色推拉
标题
更多
豪迈平开系列
臻豪平开系列
智臻平开系列
轻奢平开系列
经济平开系列
风暴平开系列
标准平开系列
旗舰平开系列
普铝平开系列
通用型材 套线 转角
标题
更多
智臻推拉系列
经济推拉系列
风暴推拉系列
风尚推拉系列
单色推拉系列
可单可双系列
标题
更多
行业新闻
企业动态
标题
更多
关于劲派
联系我们
平开窗系列
扫一扫关注
微信公众号
扫一扫浏览
手机站
推拉窗系列
新闻动态
关于我们
电话直呼
在线留言
技术支持:
企集科技
|
管理登录